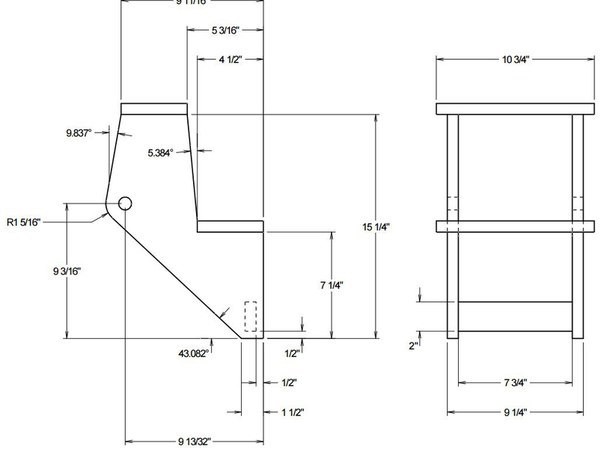
Табурет-лестница
Табурет-лестница станет незаменимым помощником по дому.
Ведь очень часто в бытовых хлопотах он оказывается необходим.






Нет комментариев
Написать комментарий
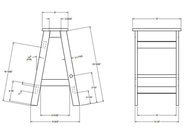
Табурет-лестница станет незаменимым помощником по дому.
Ведь очень часто в бытовых хлопотах он оказывается необходим.





